img_1596-2
img_1597-2
img_1598-2
img_1600-2
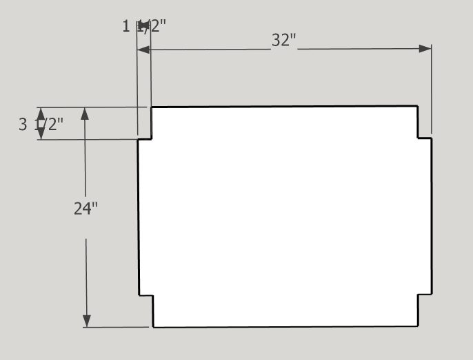
miter-saw-stand-final-dimensions

This beginner friendly miter saw and planer stand is a sturdy, compact solution for organizing your workspace. It features a flat top to support both tools and a fixed center shelf below for convenient storage. Built with basic materials and simple joinery, it’s ideal for new woodworkers looking for a practical, easy to build shop project.

Difficulty easy

Tools

Kreg Tools

Other Tools

  • Drill
    Drill
  • Circular saw
    Circular saw
  • Oscillating tool
    Oscillating tool

Materials

Wood Products

  • 5 2 x 4 x 8 pine , 1.5" x 3.5" x 96"
  • 3 4' x 2' x 3/4" plywood , 48" x 24" x 3/4"

Hardware & Supplies

  • 50 2 1/2" pocket screws
  • 1 Wood glue
  • 1 Sandpaper

Cut List & Parts

  • 4 Legs , 34 1/4" x 3 1/2" x 1 1/2"
  • 4 Front Supports , 29" x 3 1/2" x 1 1/2"
  • 4 Side Supports , 17" x 3/2" x 1 1/2"
  • 2 Shelf Supports , 29" x 3 1/2" x 1 1/2"
  • 1 Top , 32" x 24" x 3/4"
  • 1 Center Shelf , 29" x 24" x 3/4"
  • 1 Bottom Shelf , 32" x 24" x 3/4" with notches

Directions

  • 1

    Cut the legs to size using a miter saw/circular saw.

  • 2

    Attach the side supports to the legs using wood glue and 2 1/2" pocket screws.

    Make sure the supports are flush with the top and bottom of the legs.

  • 3

    Attach the side supports to the legs using wood glue and 2 1/2" pocket screws.

  • 4

    Attach the shelf supports 16 3/4" up from the bottom of the opening on the stand as shown in the picture.

    It is easier to keep them level if you use a scrap piece of wood cut to 16 3/4" and set the shelf supports on top before you screw them in.

    Use wood glue and 2 1/2" pocket screws to attach them to the front and back as shown in the picture.

  • 5

    Cut the notches for the bottom shelf using an oscillating tool and a blade.

    I suggest marking where you need to cut with a square.

    You can also use a hand saw!

  • 6

    Attach the bottom shelf to the bottom of the stand using screws in from the top into the base.

    Do the same with the top.

  • 7

    Add the middle shelf the same way you attached the top and bottom shelves.

  • 8

    Optional: Add casters to make it easier to move around the shop!

    You can just leave as is or you can sand, stain/paint and you made an easy stand perfect for your workshop.